EN AT DE CZ HU SI SK HR 


Argo-Hytos

ARGO-HYTOS DBV2-420 KOMBINIERTE DRUCKBEGRENZUNGS-RÜCKSCHLAGVENTILE

ARGO-HYTOS DBV2-420 Kombinierte Druckbegrenzungs-Rückschlagventile

ARGO-HYTOS DBV2-420 Kombinierte Druckbegrenzungs-Rückschlagventile
Anfrage für dieses Produkt!
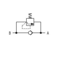
Das Hochdruck-Rückschlag/Druckbegrenzungsventil DVB2-420 wird in der Einbauausführung ohne Ventilhülse geliefert, d.h. für den direkten Einbau in die Formbohrung mit dem Sitz im Gehäuse.

Beschreibung:
  • Kleine Abmessungen
  • Hoher Druck
  • Für Blockeinbau - Einbau in Formbohrung mit dem Sitz im Gehäuse
  • Geeignet für direkten Einbau in die Pumpe
  • Ansprechdruck werkseitig fest eingestellt
  • Einfache Montage - Ventil mit Verschlussstopfen unverlierbar verbunden

Eigenschaften:
  • Größe: 10
  • Druckbereich: bis 420 bar
  • Durchflussbereich: bis 200 l / min

Anfrage für dieses Produkt!

ARGO-HYTOS DBV2-420 KOMBINIERTE DRUCKBEGRENZUNGS-RÜCKSCHLAGVENTILE




Vielen Dank für Ihre Anfrage!
Wir werden Sie so bald wie möglich kontaktieren!

© Copyright 2026 Ulbrich Group
HomeProdukteAktuellesDownloadVideoPartnerUnternehmenSitemapHaftungsausschlussAGBCookiesISO ZertifizierungQualitätspolitikDatenschutzCode of Conduct
Nach oben
https://www.ulbrich.at/,https://dir.ulbrich.si/,aut
Wir verwenden Cookies, um mithilfe von Statistiken Ihre Erfahrung hier zu einer der besten zu machen. Wenn sie nicht Ihren Wünschen entsprechen, können Sie diese deaktivieren. Wenn Sie jedoch weiterhin auf unserer Website bleiben, ohne die Einstellungen zu verändern, bedeutet das, dass Sie mit der Verwendung von Cookies voll und ganz einverstanden sind.
Cookies-EinstellungenMIT DER BESICHTIGUNG FORTFAHREN
COOKIES-EINSTELLUNGEN

Auch wir verwenden Cookies, um mithilfe von Statistiken Ihre Erfahrung hier zu einer der besten zu machen. Jedoch keine Sorge, es sind unsere eigenen.
Weitere Informationen zur Verwendung von Cookies finden Sie in der Cookie-Mitteilung. Sie können sie unten ein- oder ausschalten.




EINSTELLUNGEN SPEICHERN