Select your country

ARGO-HYTOS SOB5A-Q3/l Senkbremsventil vollentlastet

EN AT DE CZ HU SI SK HR 


Argo-Hytos

ARGO-HYTOS SOB5A-Q3/L SENKBREMSVENTIL VOLLENTLASTET

ARGO-HYTOS SOB5A-Q3/l Senkbremsventil vollentlastet

ARGO-HYTOS SOB5A-Q3/l Senkbremsventil vollentlastet
Anfrage für dieses Produkt!
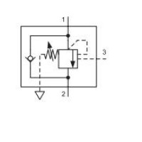
Kontrolliertes Bewegen von Lasten unter Verhinderung eines Vorauseilens der Last vor dem Zulaufstrom  sowie sicheres Halten der Last in jeglicher Position bei Systemstillstand bzw. bis der erforderliche Steuerdruck erreicht ist, wobei die Höchstdruckbegrenzung stets gewährleistet bleibt.

Beschreibung:
  • Weiches, ruckfreies Bewegen und sicheres Halten der Last; Anschlüsse (2) und (3) staudruckunabhängig 
  • Patronenbauweise gewährleistet vielfältige Einbaumöglichkeiten 
  • Diese Patrone ist direkt austauschbar mit allen Rückschlagpatronen der Baureihe Q3


Eigenschaften:
  • Volumenstrom (l/min): 30
  • max. Lastdruck (bar): 270
  • max. Einstelldruck (bar): 350

Anfrage für dieses Produkt!

ARGO-HYTOS SOB5A-Q3/L SENKBREMSVENTIL VOLLENTLASTET




Vielen Dank für Ihre Anfrage!
Wir werden Sie so bald wie möglich kontaktieren!

© Copyright 2025 Ulbrich Group
HomeProdukteAktuellesDownloadVideoPartnerUnternehmenSitemapHaftungsausschlussAGBCookiesISO ZertifizierungQualitätspolitikDatenschutzCode of Conduct
Nach oben
https://www.ulbrich.at/,https://dir.ulbrich.si/,aut
Wir verwenden Cookies, um mithilfe von Statistiken Ihre Erfahrung hier zu einer der besten zu machen. Wenn sie nicht Ihren Wünschen entsprechen, können Sie diese deaktivieren. Wenn Sie jedoch weiterhin auf unserer Website bleiben, ohne die Einstellungen zu verändern, bedeutet das, dass Sie mit der Verwendung von Cookies voll und ganz einverstanden sind.
Cookies-EinstellungenMIT DER BESICHTIGUNG FORTFAHREN
COOKIES-EINSTELLUNGEN

Auch wir verwenden Cookies, um mithilfe von Statistiken Ihre Erfahrung hier zu einer der besten zu machen. Jedoch keine Sorge, es sind unsere eigenen.
Weitere Informationen zur Verwendung von Cookies finden Sie in der Cookie-Mitteilung. Sie können sie unten ein- oder ausschalten.




EINSTELLUNGEN SPEICHERN